-
-
-
Tổng tiền thanh toán:
-
Số lượng:
Mã sku: (Đang cập nhật...)
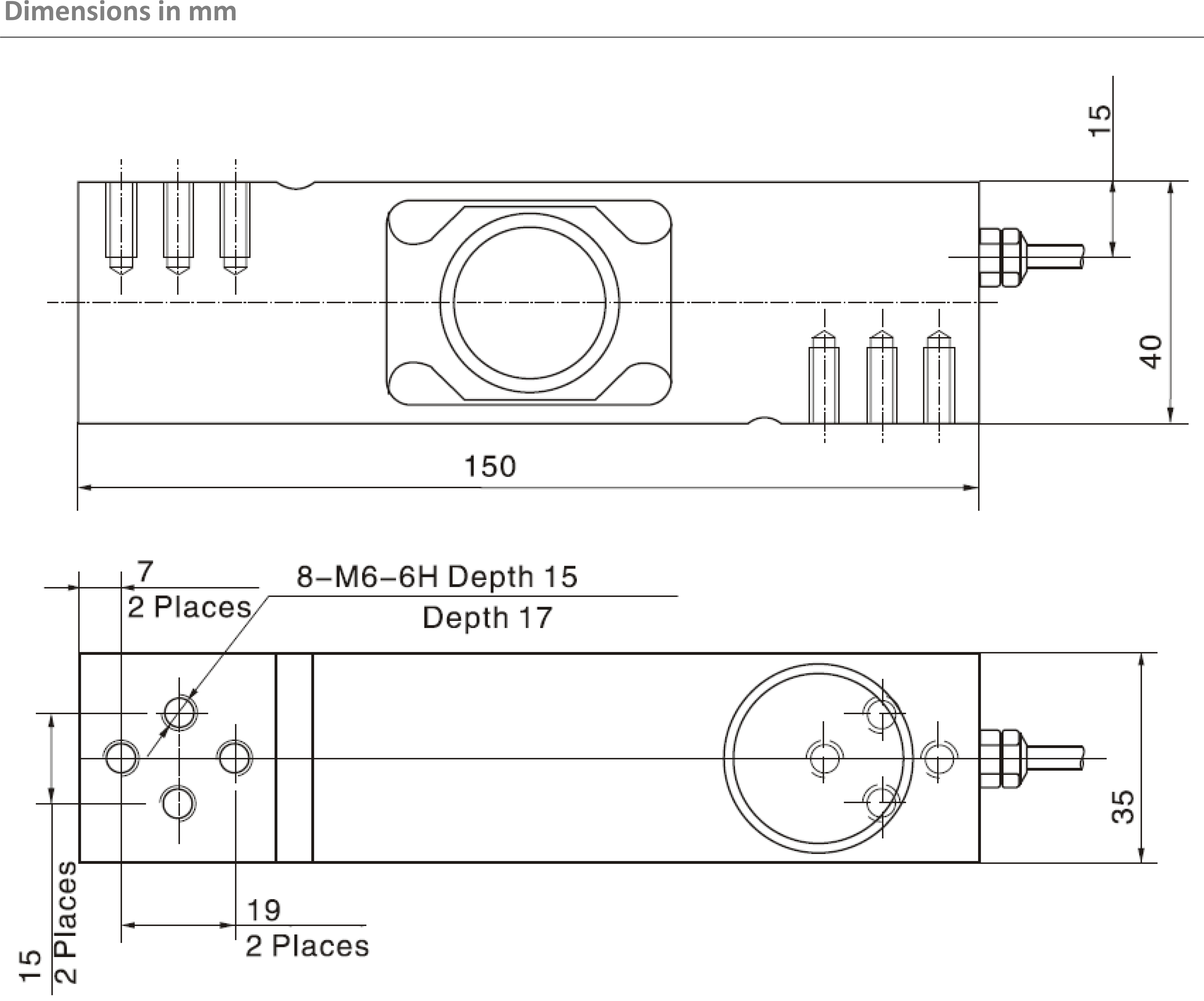
Nhà sản xuất: Zemic
- Tải trọng (kg): 50, 100, 200, 300, 500, 1000.
- Cấp chính xác : OIML R60 C3
- Điện áp biến đổi : (2 ± 0.002 ) mV/V
- Sai số lặp lại : (≤ ± 0.01) %R.O
- Độ trễ : (≤ ± 0.02) %R.O
- Sai số tuyến tính: ( ≤ ± 0.02 ) %R.O
- Quá tải (30 phút) : ( ≤ ± 0.02 ) %R.O
- Cân bằng tại điểm : ("0" ≤ ± 1) %R.O
- Bù nhiệt : ( -10 ~ +40) °C
- Nhiệt độ làm việc :(-20 ~ +60) °C
- Nhiệt độ tác động đến tín hiệu ra: (≤ ± 0.002 )%R.O/°C
- Nhiệt độ tác động làm thay đổi điểm "0" : (≤ ± 0.002 ) %R.O/°C
- Điện trở đầu vào : (381 ± 4) Ω
- Điện trở đầu ra : (350 ± 1) Ω
- Điện trở cách điện: ≥ 5000 (ở 50VDC) MΩ
- Điện áp kích thích: 6 ~ 15 (DC/AC) V
- Điện áp kích thích tối đa : 20 (DC/AC) V
- Quá tải an toàn: 150 %
- Quá tải phá hủy hoàn toàn: 300%
- Tuân thủ theo tiêu chuẩn: IP67
- Chiều dài dây tín hiệu: 5m
- Màu sắc dây : Đỏ , Đen , Xanh , Trắng
- Phương thức định lượng : cảm biến từ (load cell).


Loadcell BM6E Zemic

Tải tài liệu tại đây: BM6E-Datasheet-Zemic-Europe